BRV-D 7-7 вентилятор двостороннього всмоктування
низького тиску з вперед загнутими лопатками, з мотором
Вентилятор Bahcivan BRV-D радіальний
- Корпус і турбіна з оцинкованої сталі
- Трапецеїдальний ремінь і блокове передавання
- Низький рівень шуму;
- Вільна вісь підтримується з обох боків кульковими підшипниками, що постійно змащуються
- Підшипники містяться в гумовому амортизаторі, щоб унеможливити вібрацію
- Корпус двигуна виготовлені з алюмінієвої сталі;
- Корпус вентилятора, з листового металу, з порошковим покриттям;
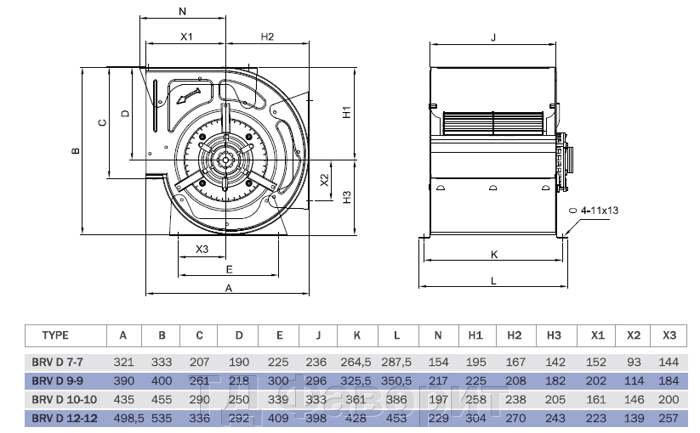
- Розміри 7-7 до 18-18
- Продуктивність до 25 000 м3/год.
Сфера застосування: У промисловості та для конструкції, теплицях, складах, торгових центрах, заводах, малярних цехах, а також для вентиляції великих приміщень.
- Висока якість і вентилятори та комплектуючих (електродвигуни, робочі колеса та ін.) на рівні світових європейських брендів;
- Конкурентоспроможна цінова політика (в 2-3 рази нижча за європейських аналогів);
- Надійність, підтверджена 20 роками роботи, з 1990 року;


| МОДЕЛЬ | НАПРЯЖЕННЯ, В | ПОТУЖНІСТЬ, Вт | ШВИДКІСТЬ, обр/хв | ВИРОТКІСТЬ, М3/год | УРОВЕНЬ ШУМА, dB | Вага, кг |
|---|---|---|---|---|---|---|
| BRV-D 7-7 | 230 | 147 | 1300 | 1500 | 71 | 9 |
| BRV-D 9-9 | 230 | 373 | 1380 | 2900 | 78 | 13 |
| BRV-D 10-10 | 230 | 600 | 1380 | 4100 | 80 | 15 |
| BRV-D 12-12 | 230 | 1100 | 900 | 6000 | 80 | 26 |
Характеристики
| Основні | |
|---|---|
| Виробник | Bahcivan Motor |
| Країна виробник | Туреччина |
Інформація для замовлення
- Ціна: 8 690 ₴


