Пальник WORGAS для котлів De Dietrich DTG
артикул De Dietrich 83688783
Пальник Worgas для De Dietrich (97570397) 83688783
Цей пристрій являє собою прилад, у якому змішуються газ і кисень, що розташований у навколишньому повітрі. Отримана суміш подається до вихідних отворів, де займається за допомогою іскри від п'єзоелемента або електрики. Унаслідок цього з'являється постійне факельне полум'я. Пальники до котлів для настінних котлів — це одна з найважливіших складників у самих нагрівальних котлах.
Конструкція пальників має відповідати всім вимогам безпеки, забезпечувати стабільне полум'я, а також швидке та надійне запалення газової суміші. Крім того, якісний фітильний елемент має відрізнятися простим монтажем, тривалим терміном експлуатації, без шуму та вібрації.
Пальник WORGAS для котлів середньої та великої потужності De Dietrich DTG 220 ECONOX, DTG 220 ECONOX/II, DTG 230 ECONOX.
Артикули: 83688783, 97570397
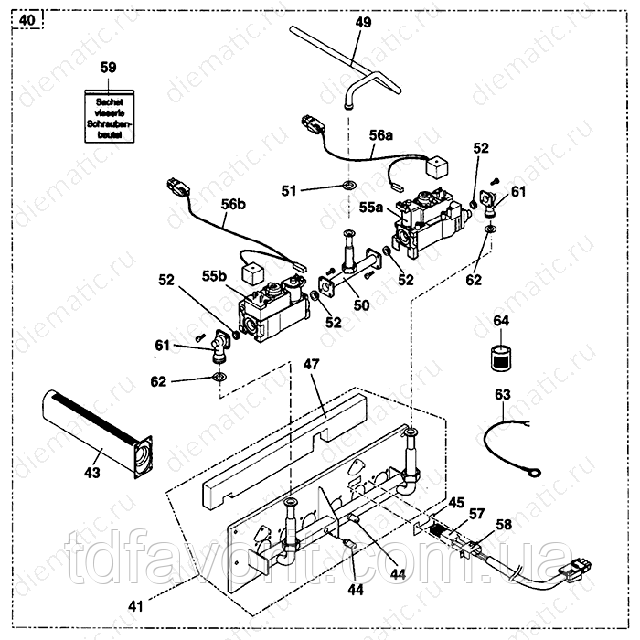
Пальник WORGAS для котлів De Dietrich DTG 220 ECONOX на схеме №43

| Низ. | Артикул | Найменування |
|---|---|---|
| 0 | 85027047 | Комплект переобладнання на природний газ Н, 6 сек |
| 0 | 85027048 | Комплект переобладнання на природний газ Н, 7 секційок |
| 0 | 85027049 | Комплект переобладнання на природний газ Н, 8 секцій |
| 0 | 85027050 | Комплект переобладнання на природний газ Н, 9 секцій |
| 0 | 85027051 | Комплект переобладнання на природний газ Н, 10 секцій |
| 0 | 85027052 | Комплект переобладнання на природний газ Н, 11 секцій |
| 0 | 85027053 | Комплект переобладнання на природний газ Н, 12 секцій |
| 0 | 85027054 | Комплект переобладнання на природний газ Н, 13 секцій |
| 0 | 85027055 | Комплект переобладнання на природний газ Н, 14 секцій |
| 0 | 85027056 | Комплект переобладнання на природний газ L, 6 секцій |
| 0 | 85027057 | Комплект переобладнання на природний газ L, 7 секцій |
| 0 | 85027058 | Комплект переобладнання на природний газ L, 8 секцій |
| 0 | 85027059 | Комплект переобладнання на природний газ L, 9 секцій |
| 0 | 85027060 | Комплект переобладнання на природний газ L, 10 секцій |
| 0 | 85027061 | Комплект переобладнання на природний газ L, 11 секцій |
| 0 | 85027062 | Комплект переобладнання на природний газ L, 12 секцій |
| 0 | 85027063 | Комплект переобладнання на природний газ L, 13 секцій |
| 0 | 85027064 | Комплект переобладнання на природний газ L, 14 секцій |
| 0 | 85027103 | Комплект переобладнання на пропан, 6-14 секцій |
| 40 | 85025530 | Газова лінія в зборі, 6 секцій |
| 40 | 85025535 | Газова лінія в зборі, 11 секцій |
| 40 | 85025536 | Газова лінія в зборі, 12 секцій |
| 40 | 85025537 | Газова лінія в зборі, 13 секцій |
| 40 | 85025534 | Газова лінія в зборі, 10 секцій |
| 40 | 85025538 | Газова лінія в зборі, 14 секцій |
| 40 | 85025531 | Газова лінія в зборі, 7 секцій |
| 40 | 85025532 | Газова лінія в зборі, 8 секцій |
| 40 | 85025533 | Газова лінія в зборі, 9 секцій |
| 41 | 85025539 | Тримач пальника, 6 секцій WO EOX |
| 41 | 85025547 | Тримач пальника, 14 секцій WO EOX |
| 41 | 85025540 | Тримач пальника, 7 секцій WO EOX |
| 41 | 85025541 | Тримач пальника, 8 секцій WO EOX |
| 41 | 85025543 | Тримач пальника, 10 секцій WO EOX |
| 41 | 85025542 | Тримач пальника, 9 секцій WO EOX |
| 41 | 85025544 | Тримач пальника, 11 секцій WO EOX |
| 41 | 85025545 | Тримач пальника, 12 секцій WO EOX |
| 41 | 85025546 | Тримач пальника, 13 секцій WO EOX |
| 43 | 83688783 | Пальник WORGAS |
| 44 | 95360220 | Відвід для вимірювання тиску |
| 45 | 85028100 | Плоский електрод запалювання |
| 47 | 83775627 | Ізоляція робочого майданчика пальника, 6 секцій |
| 47 | 83775629 | Ізоляція робочого майданчика пальника, 8 секцій |
| 47 | 83775632 | Ізоляція робочого майданчика пальника, 11 секцій |
| 47 | 83775633 | Ізоляція робочого майданчика пальника, 12 секцій |
| 47 | 83775634 | Ізоляція робочого майданчика пальника, 13 секцій |
| 47 | 83775631 | Ізоляція робочого майданчика пальника, 10 секцій |
| 47 | 83775635 | Ізоляція робочого майданчика пальника, 14 секцій |
| 47 | 83775628 | Ізоляція робочого майданчика пальника, 7 секцій |
| 47 | 83775630 | Ізоляція робочого майданчика пальника, 9 секцій |
| 49 | 97549040 | Труба подавання газу — 6 секційних котлів |
| 49 | 97549043 | Труба подавання газу — 13-14 секційні котли |
| 49 | 97549041 | Труба подавання газу — 7-8-9 секційні котли |
| 49 | 97549042 | Труба подавання газу — 10-11-12 секційні котли |
| 50 | 97549028 | З'єднувальна трубка, від 9 до 14 секцій |
| 51 | 95013064 | Прокладка Ø 32 x 44 x 2 |
| 52 | 97550178 | Прокладка 21x30x2 |
| 55a | 85024700 | Газовий клапан 1-го ступеня, ПРАВИЙ VR4605CB10 |
| 55b | 85024701 | Газовий вентиль 2-й щабель, ЛЕВИЙ VR4605CB103 |
| 56a | 85024900 | Ел. ланцюг газового клапана 1-й щабель, правий |
| 56b | 85024901 | Електричний ланцюг (14 секційні котли) |
| 57 | 83774701 | Запальний електрод із кабелем |
| 58 | 83778060 | Тримач свічки |
| 59 | 85025516 | Пакет приладдя для газової лінії |
| 61 | 97549839 | Фланець-коліно LOVATO |
| 62 | 97550196 | Прокладка 27.2 x 16 x 3 |
| 63 | 83684907 | Заземлювальний дріт |
| 64 | 88008961 | Клей 1000 (баночка 100 мл) |
| Основні атрибути | |
|---|---|
| Виробник | De Dietrich |
| Країна виробник | Франція |
- Ціна: 9 562,99 ₴



