Черв'ячний редуктор Bonfiglioli VF49 F1 14 P71 B5 B3
Одноступінчасті черв'ячні мотор-редуктори Bonfiglioli (Бонфиглиоли) мають наступні типорозміри: VF27, VF30, VF44, VF49, W63, W75, W86, W110, VF130, VF150, VF185, VF210, VF250
Черв'ячні мотор-редуктори BONFIGLIOLI зарекомендували себе як надійні вироби. Мотор-редуктори BONFIGLIOLI успішно використовуються у всіх галузях промисловості, так як поєднують в собі високу якість і низьку вартість. Редуктори мають великий вибір настановних варіантів і додаткових опцій. На базі серії VF і W для отримання високих значень передаточних чисел реалізуються двох ступінчасті циліндро-черв'ячні або червячно-черв'ячні конструкції.
Передавальні числа редукторів від 5/1 до 10000/1. Максимальний крутний момент 7000 Нм.
Мотор-редуктори BONFIGLIOLI можуть бути укомплектовані електродвигунами з вбудованим електротормозом або взрывозащитой. Додатково можна встановити оптичний енкодер або термістор. Корпус у формі куба зі спеціально обробленими поверхнями спрощує монтаж мотор-редуктора і дозволяє встановлювати додаткове обладнання.
Корпуси редукторів BONFIGLIOLI VF 27, VF 30, VF 44, VF 49, W63, W75, W86 - виготовлені з силуміну, а редуктори BONFIGLIOLI W110, VF 130, VF 150, VF 185, VF210, VF250 – виконані з чавуну.
Система позначення черв'ячних мотор-редукторів BONFIGLIOLI серії VF/W
W-63-L1-UF1-25-20-S2-B14-B3-CW-BN-63A-4-230/400-50-IP54-CLF-B5-FD-3,5-R-SB-220SA
|
1. W – тип мотор-редуктора (VF, W - черв'ячний мотор-редуктор, VFR, WR – циліндро-черв'ячний редуктор, VF/VF, VF/W, W/VF - комбінація з двох черв'ячних редукторів);
|
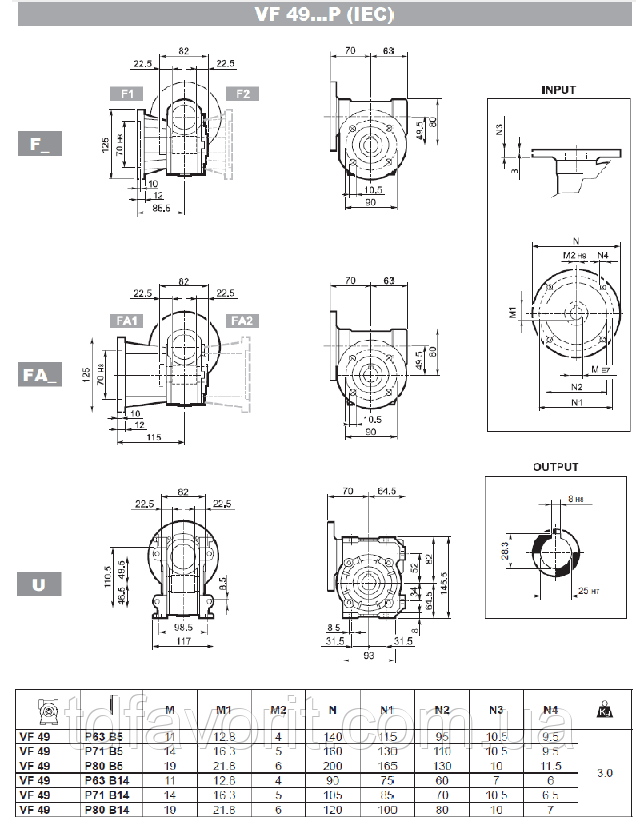
Габаритно-приєднувальні розміри VF49 F1 14 P71 B5 B3




Для підбору редукторів та отримання детальніших консультацій просимо звертатися до наших фахівців з наданням наступної інформації:
- Необхідна потужність приводу мотор-редуктора (редуктора, варіатора)
- Необхідні параметри живлення електродвигуна
- Кількість обертів на виході мотор-редуктори, мотор-варіатора (кількість обертів на вході і виході редуктора, варіатора)
- Діапазон температур навколишнього середовища
- Кількість годин роботи в добу
- Вид двигуна (електродвигун, двигун внутрішнього згорання)
- Опис механізму, в якому працює редуктор (для розрахунку коефіцієнта запасу по довговічності)
| Основні | |
|---|---|
| Виробник | Bonfiglioli Riduttori |
| Країна виробник | Італія |
| Стан | Новий |
| Тип редуктора | Черв'ячний |
- Ціна: 15 180 ₴



